
| ○ | 单圈或多圈编码器 / bus cover | ○ | 磁感应 | |||
| ○ | 单圈分辨率:12...19 位 | ○ | 多圈 4...32 位 | |||
| ○ | 端部空心轴 | ○ | 始终检测编码的连续性 | |||
| ○ | 较强的抗冲击和振动能力 | ○ | 模块化现场总线接口 | |||
| ○ | Profibus / CANopen® | |||||
| ○ |
供电: 5.5VDC to 30VDC 4.75 VDC to 5.5VDC 8VDC to 30VDC |
○ |
保护: 反极性保护 输出短路保护 |
|||
| ○ | 空载电流:≤ 50mA(24VDC) | ○ | 初始化时间类型:通电后170 ms | |||
| ○ | 接口:现场总线 / CANopen®/ | ○ | 分辨率(脉冲数/圈):9 至 16 位 | |||
| ○ | 多圈位数:4, 8, 12, 16, 24, 32 | ○ | 编码:二进制码 | |||
| ○ | 代码序列:CW默认,可编程 | ○ | 绝对精度:≤ ±0.35° | |||
| ○ | 设备地址:总线盖中的旋转开关 | ○ | 抗干扰:DIN EN 61000-6-2 | |||
| ○ | 发射干扰:DIN EN 61000-6-4 | ○ | 认证:CE | |||
| ○ | 可编程参数:每转步数、转数、预设、扫描、旋转方向 | ○ | 诊断功能:位置或参数错误、多圈感应 | |||
| ○ | 状态指示器:红色和绿色LED集成在总线盖中 | |||||
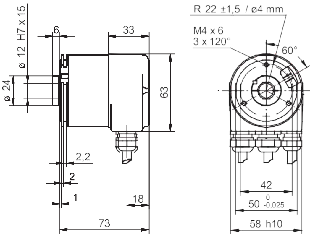
| ○ | 尺寸(法兰): φ58mm | ○ |
轴负载: ≤140N 轴向 ≤240N 径向 |
|||
| ○ | 防护等级:DIN EN 60529,IP54,IP65 | ○ | 运行转速:≤10000 rpm | |||
| ○ | 运行转矩:≤0.025Nm(IP67) | ○ |
材料: 外壳、法兰:铝 轴:不锈钢 |
|||
| ○ |
轴径:6.8mm 其他尺寸根据需求 |
○ | 寿命:2×109 转(在100%轴承额定负载)(min) | |||
| ○ | 工作温度:-25...+90 °C | ○ | 重量约:300g | |||
| ○ | 连接:Bus cover | ○ | 相对湿度:95% | |||
| ○ |
抗干扰 DIN EN 60068-2-6 振动 30 g, 10-2000 Hz DIN EN 60068-2-27 冲击200 g, 6 ms |
|||||

![]() |
![]() |