
| ○ | 工业级58mm标准规格,夹紧法兰 | ○ | 不锈钢 | |||
| ○ | 坚固的机械和电气结构 | ○ | 防护等级可达IP69K | |||
| ○ | 不大于65536PPR | ○ | 输出频率<300 kHz | |||
| ○ | 光学或者磁式系统 | |||||
| ○ |
供电: 4. 75VDC to 30VDC 4. 75VDC to 5. 5VDC |
○ |
保护: 输出短路保护 反极性保护(不含5V系列) |
|||
| ○ | 空载电流:≤ 60mA(24 VDC) | ○ | 分辨率(脉冲数/转): 1... 65536 | |||
| ○ | 参考信号:零脉冲, 宽度 90°,180°,360° 可选 | ○ | 光电寿命:10 万小时(min) | |||
| ○ | 输出频率:>200 kHz | ○ | 输出信号:90° 移相 A、B、Z ,+ 取反 | |||
| ○ |
输出电路:线性驱动/RS422 推拉 抗短路 |
○ | 抗干扰:DIN EN 61000-6-2 | |||
| ○ | 发射干扰:DIN EN 61000-6-4 | ○ | 认证:CE | |||
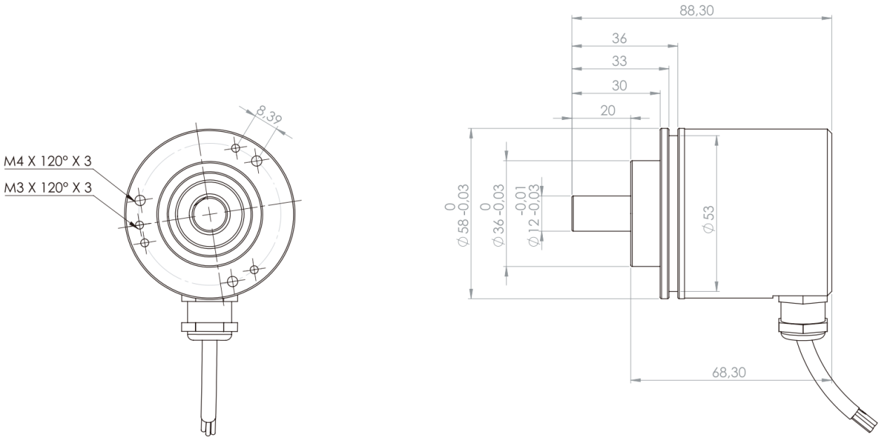
| ○ | 尺寸(法兰):ø58mm | ○ |
轴负载: ≤140 N 轴向 ≤240 N 径向 |
|||
| ○ | 防护等级DIN EN 60529:IP54, IP65 | ○ | 运行转速:≤10000 rpm | |||
| ○ | 启动转矩:≤ 0.025 Nm(IP67) | ○ |
材质: 外壳:不锈钢 法兰:不锈钢 轴:不锈钢 |
|||
| ○ |
轴径:6, 8, 10, 12 mm (其余轴径根据要求) |
○ | 轴承寿命:2×109转(min)在100%轴承额定负载 | |||
| ○ | 工作温度:- 20. . . +85°C | ○ | 储藏温度:- 30°C up to +90°C | |||
| ○ | 重量约:500g | |||||

![]() |
![]() |