
| ○ | 坚固,紧凑的外壳 | ○ | 大间距的双轴承 | |||
| ○ | 轴承负载高达 400N | ○ | 高工作速度 10000rpm | |||
| ○ | 端子盒,M23连接器,电缆等可选 | |||||
| ○ |
供电: 9…30VDC 5VDC ±5% |
○ | 空载电流:≤ 100mA | |||
| ○ | 分辨率(脉冲数/转):1000…10000 | ○ | 移相:90°±15° | |||
| ○ | 扫描比:45…55% | ○ | 参考信号:零脉冲,宽度 90° | |||
| ○ | 检测方式:光学 | ○ | 输出频率:≤200 kHz | |||
| ○ | 输出信号:A、B、Z ,+ 取反 | ○ |
输出电路:推拉 TTL / RS422 |
|||
| ○ | 轴绝缘:2.8KV | ○ | 传输距离:≤400m at 100kHz | |||
| ○ | 抗干扰:EN 61000-6-2 | ○ | 发射干扰:EN 61000-6-3 | |||
| ○ | 认证:CE | |||||
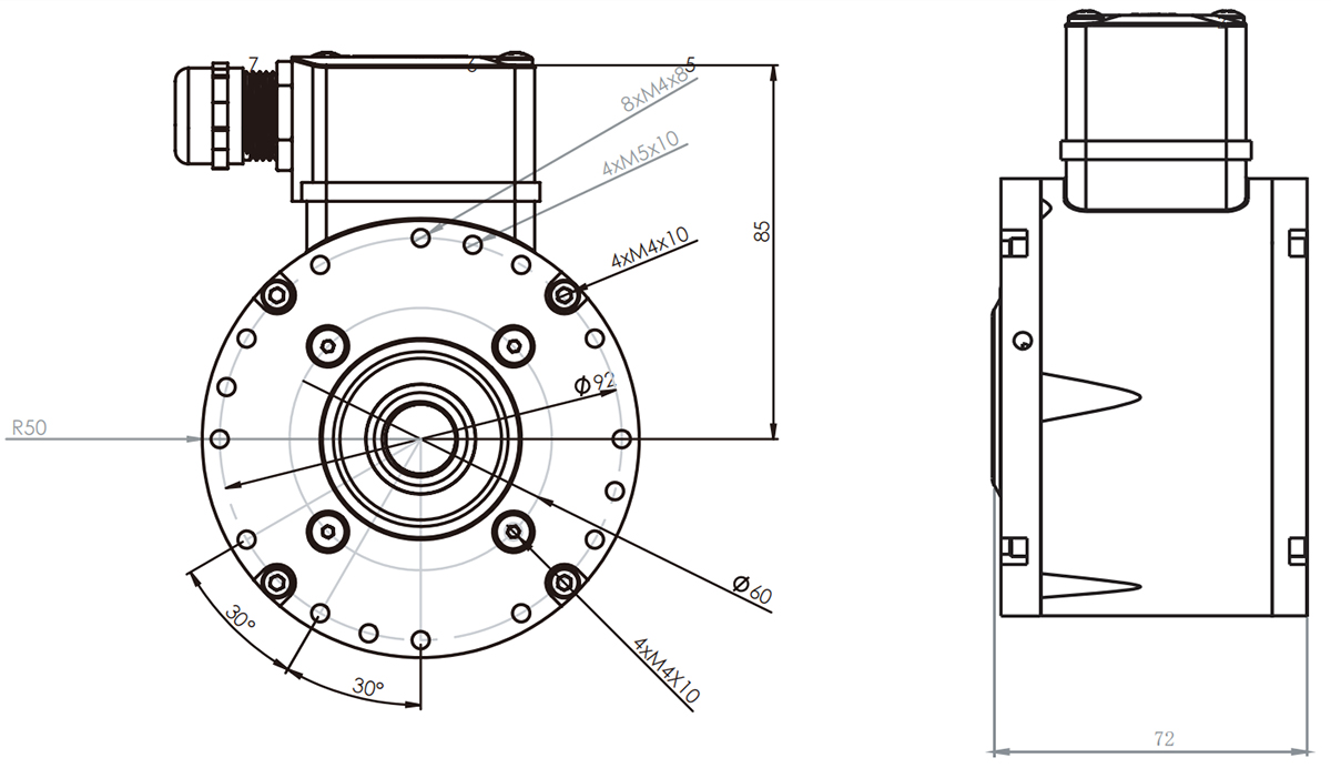
| ○ | 尺寸(法兰):ø100mm | ○ |
轴类型: φ12…16mm(盲孔轴) φ17mm(锥形轴1:10) |
|||
| ○ |
轴负载: ≤300N 轴向 ≤400 N 径向 |
○ | 电机轴公差:0.2 mm径向 | |||
| ○ | 防护等级DIN EN 60529 :IP66 | ○ | 运行转速:≤10000 rpm | |||
| ○ | 运行转矩:≤6Ncm | ○ | 转子转动惯量:160 gcm² | |||
| ○ |
材料: 外壳:镀铝 轴:不锈钢 |
○ |
工作温度: -40...+100 °C -40...+90 °C |
|||
| ○ |
连接: 端子盒 法兰连接器 M23, 12-pin 电缆 1 m |
○ | 重量约:1.1 kg | |||

![]() |
![]() |