
| ○ | 坚固,紧凑的外壳 | ○ | 大间距的双轴承 | |||
| ○ | 轴承负载高达 300N | ○ | 高工作速度 10000 rpm | |||
| ○ | 端子盒,M23连接器,电缆等可选 | |||||
| ○ |
供电: 9…30VDC 5VDC ±5% |
○ | 空载电流:≤ 100mA | |||
| ○ | 分辨率(脉冲数/转):1000…10000 | ○ | 移相:90°±15° | |||
| ○ | 扫描比:45…55% | ○ | 参考信号:零脉冲,宽度 90° | |||
| ○ | 检测方式:光学 | ○ | 输出频率:≤200 kHz | |||
| ○ | 输出信号:A、B、Z ,+ 取反 | ○ |
输出电路:推拉 TTL / RS422 |
|||
| ○ | 轴绝缘:通过塑料耦合 | ○ | 传输距离:≤400m at 100kHz | |||
| ○ | 抗干扰:EN 61000- 6- 2 | ○ | 发射干扰:EN 61000- 6- 3 | |||
| ○ | 认证:CE | |||||
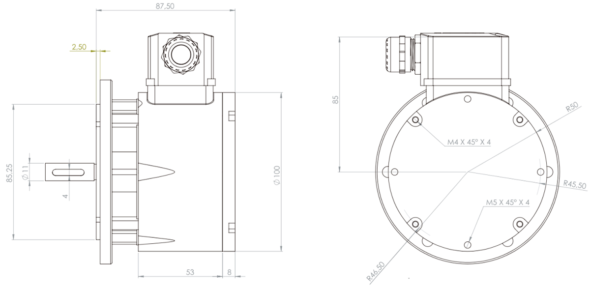
| ○ | 尺寸(法兰):B10法兰/115mm | ○ | 轴类型:φ11mm(实心轴) | |||
| ○ |
轴负载: ≤240N 轴向 ≤300N 径向 |
○ | 防护等级:DIN EN 60529 IP66 | |||
| ○ | 运行转速:≤10000 rpm | ○ | 运行转矩:≤4Ncm | |||
| ○ | 转子转动惯量:160 gcm² | ○ |
材料: 外壳:压铸铝 轴:不锈钢 |
|||
| ○ |
工作温度: -40...+100 °C -40...+90 °C |
○ |
连接: 端子盒 法兰连接器 M23,12-pin 电缆 1 m |
|||
| ○ | 重量约:1.2 kg | |||||

![]() |
![]() |