
| ○ | 带有并行接口的绝对值编码器 | ○ | 磁感应 | |||
| ○ | 分辨率:可达12 位 | ○ | 同步或夹紧法兰 | |||
| ○ | 可选预置输入 | ○ | 可选方向输入 | |||
| ○ | 供电:5…30VDC | ○ |
保护: 反向和过载保护 输出短路保护 |
|||
| ○ | 空载电流:≤ 60mA(输出无负载) | ○ | 接口:并行 | |||
| ○ | 分辨率(脉冲数/圈):可达 12 位 | ○ | 绝对精度:≤ ±0.35° | |||
| ○ | 检测方式:磁式 | ○ | 编码:格雷码或二进制码 | |||
| ○ |
输入: 方向(顺时针/ 逆时针) 预设(零位设定) |
○ |
旋转方向: 输出按顺时针方向增加 (从轴向看去) |
|||
| ○ | 初始化时间:典型上电后60ms | ○ | 大响应频率:10 kHz | |||
| ○ | 输出容量:16mA(漏型/源型) | ○ | 输出电路:推挽(可选开集) | |||
| ○ | 抗干扰:DIN EN 61000-6-2 | ○ | 发射干扰:DIN EN 61000-6-4 | |||
| ○ | 认证:CE | |||||
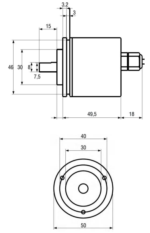
| ○ | 尺寸(法兰) :φ50mm | ○ |
轴负载: ≤20N 轴向 ≤30N 径向 |
|||
| ○ | 防护等级DIN EN 60529 IP54(可选IP65) | ○ | 运行转速:≤3000 rpm | |||
| ○ | 运行转矩:≤0.001Ncm | ○ |
材料: 外壳、法兰:铝 轴:不锈钢 |
|||
| ○ |
轴径:6, 8, 10, 12 mm (其它轴径根据要求 ) |
○ | 寿命:2×109 转(在100%轴承额定负载)(min) | |||
| ○ | 工作温度:-20...+85 °C | ○ | 重量约:180g | |||

![]() |
![]() |