
| ○ | 单圈编码器, SSI / BiSS + SinCos | ○ | 光感应 | |||
| ○ | 分辨率:标准13位,可编程 | ○ | 2048 正余弦信号 | |||
| ○ | 夹紧法兰或同步法兰 | ○ | 始终检测编码的连续性 | |||
| ○ | 较强的抗冲击和振动能力 | ○ | 编码器可电子复位 | |||
| ○ |
供电: 5.5VDC to 30VDC 4.75 VDC to 5.5VDC 8VDC to 30VDC |
○ |
保护: 反极性保护 输出短路保护(不含5V系列) |
|||
| ○ | 空载电流:≤ 100mA(24VDC) | ○ |
接口: CANopen CiA DSP 301 V4.01 DSP 305 V1.0, DSP 406 V3.1 |
|||
| ○ | 分辨率(脉冲数/圈): 可达 13 位 | ○ | 绝对精度:≤ ±0.035° | |||
| ○ | 传感方式:磁式 | ○ | 编码:二进制码 | |||
| ○ | 代码序列:CW默认,可编程 | ○ |
可编程参数:工作模式 总分辨率 扫描 转速检测 |
|||
| ○ | 抗干扰:DIN EN 61000-6-2 | ○ | 发射干扰:DIN EN 61000-6-4 | |||
| ○ | 认证:CE | |||||
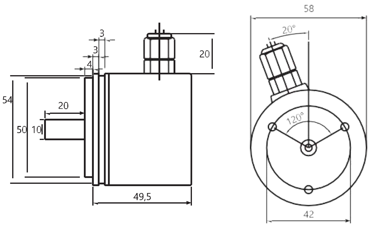
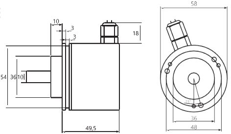
| ○ | 尺寸(法兰): φ58mm | ○ |
轴负载: ≤40N 轴向 ≤60N 径向 |
|||
| ○ | 防护等级:DIN EN 60529,IP54,IP65 | ○ | 运行转速:≤10000 rpm | |||
| ○ | 运行转矩:≤0.025Nm(IP65) | ○ |
材料: 外壳、法兰:铝 轴:不锈钢 |
|||
| ○ |
轴径:6, 8, 10, 12 mm 其他尺寸根据需求 |
○ | 寿命:2×109 转(在100%轴承额定负载)(min) | |||
| ○ |
工作温度: -40...+110 °C -40 °C up to +120 °C(储存温度) |
○ | 重量约:250g | |||
![]() 58B |
![]() 58S |
![]() |
![]() |